Sign In | Join Free | My insurersguide.com
China Mega Source Elec.Limited logo
Mega Source Elec.Limited
MEGA SOURCE ELEC. CO., LIMITED Professional electronic distributor to provide One-stop Service
Active Member

13 Years

Home > Integrated Circuit Chip >

Integrated Circuit Chip QUad Integrated Communications Controller Users Manual

Mega Source Elec.Limited
Contact Now

Integrated Circuit Chip QUad Integrated Communications Controller Users Manual

Integrated Circuit Chip QUad Integrated Communications Controller Users Manual

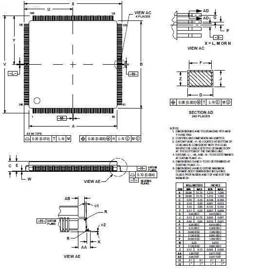
MC68EN360ZP25C is a QUad Integrated Communications Controller Users Manual . Part NO: MC68EN360ZP25C Brand:  MOTOROLA Mounting Type: Surface Mount Date Code:  +04 Quality Warranty: 3 Months ...

Product Tags:

programmable ic chips

      

ic integrated circuits

      
Send your message to this supplier
 
*From:
*To: Mega Source Elec.Limited
*Subject:
*Message:
Characters Remaining: (0/3000)